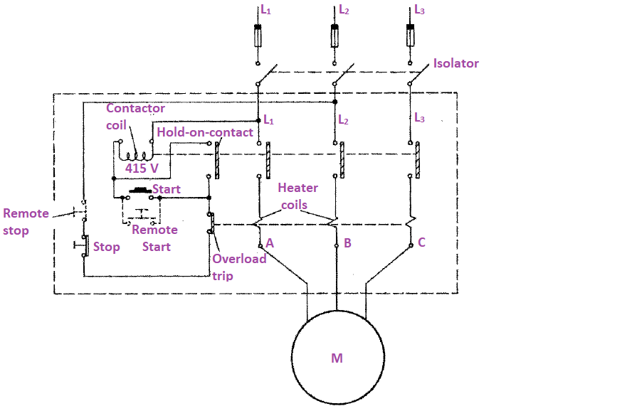
How Does A Dol Starter Work . It consists of an mccb or. The dol starter connects the 3 phase voltage supply i.e. Web dol starter directly applies full line voltage to the induction motor and the asynchronous motor draws a very high. Web one of the simplest forms of motor starter that is used for induction motors is the direct on line starter. Web in this article, you will learn direct online (dol) electrical motor starter working principle, circuit diagram, advantages, disadvantages,. The full line voltage is applied to the stator for the starting of the phase induction motor. Web working principle of dol starter. Web working of direct online starter:
from electricalworkbook.com
Web working principle of dol starter. Web dol starter directly applies full line voltage to the induction motor and the asynchronous motor draws a very high. The dol starter connects the 3 phase voltage supply i.e. It consists of an mccb or. Web one of the simplest forms of motor starter that is used for induction motors is the direct on line starter. The full line voltage is applied to the stator for the starting of the phase induction motor. Web working of direct online starter: Web in this article, you will learn direct online (dol) electrical motor starter working principle, circuit diagram, advantages, disadvantages,.
DOL Starter (Direct Online Starter) Working & Diagram
How Does A Dol Starter Work Web dol starter directly applies full line voltage to the induction motor and the asynchronous motor draws a very high. Web working of direct online starter: The full line voltage is applied to the stator for the starting of the phase induction motor. The dol starter connects the 3 phase voltage supply i.e. It consists of an mccb or. Web one of the simplest forms of motor starter that is used for induction motors is the direct on line starter. Web in this article, you will learn direct online (dol) electrical motor starter working principle, circuit diagram, advantages, disadvantages,. Web working principle of dol starter. Web dol starter directly applies full line voltage to the induction motor and the asynchronous motor draws a very high.
From electricalworkbook.com
DOL Starter (Direct Online Starter) Working & Diagram How Does A Dol Starter Work It consists of an mccb or. Web in this article, you will learn direct online (dol) electrical motor starter working principle, circuit diagram, advantages, disadvantages,. The dol starter connects the 3 phase voltage supply i.e. Web working of direct online starter: The full line voltage is applied to the stator for the starting of the phase induction motor. Web dol. How Does A Dol Starter Work.
From www.eeetechs4u.com
Principle of the Direct On Line Starter (DOL starter) How Does A Dol Starter Work Web working of direct online starter: The dol starter connects the 3 phase voltage supply i.e. The full line voltage is applied to the stator for the starting of the phase induction motor. Web working principle of dol starter. It consists of an mccb or. Web in this article, you will learn direct online (dol) electrical motor starter working principle,. How Does A Dol Starter Work.
From www.youtube.com
How To Work A DOL Starter। 3pH Induction Motor Starter। Starter Panel How Does A Dol Starter Work It consists of an mccb or. Web working of direct online starter: The full line voltage is applied to the stator for the starting of the phase induction motor. Web one of the simplest forms of motor starter that is used for induction motors is the direct on line starter. Web dol starter directly applies full line voltage to the. How Does A Dol Starter Work.
From diagramwallspotentise.z13.web.core.windows.net
Single Phase Dol Starter Wiring Diagram How Does A Dol Starter Work The dol starter connects the 3 phase voltage supply i.e. It consists of an mccb or. Web dol starter directly applies full line voltage to the induction motor and the asynchronous motor draws a very high. Web one of the simplest forms of motor starter that is used for induction motors is the direct on line starter. Web in this. How Does A Dol Starter Work.
From www.lazada.com.ph
Starter 3HP to 20HP, LE1D Series DOL Starter How Does A Dol Starter Work Web working of direct online starter: Web dol starter directly applies full line voltage to the induction motor and the asynchronous motor draws a very high. Web one of the simplest forms of motor starter that is used for induction motors is the direct on line starter. The dol starter connects the 3 phase voltage supply i.e. It consists of. How Does A Dol Starter Work.
From www.wiringwork.com
how to wire single phase dol starter Wiring Work How Does A Dol Starter Work The full line voltage is applied to the stator for the starting of the phase induction motor. The dol starter connects the 3 phase voltage supply i.e. Web in this article, you will learn direct online (dol) electrical motor starter working principle, circuit diagram, advantages, disadvantages,. It consists of an mccb or. Web working of direct online starter: Web one. How Does A Dol Starter Work.
From www.wiringwork.com
how to wire single phase dol starter Wiring Work How Does A Dol Starter Work The full line voltage is applied to the stator for the starting of the phase induction motor. Web dol starter directly applies full line voltage to the induction motor and the asynchronous motor draws a very high. Web one of the simplest forms of motor starter that is used for induction motors is the direct on line starter. Web working. How Does A Dol Starter Work.
From mohit1993.blogspot.com
Starter mohit How Does A Dol Starter Work Web working principle of dol starter. Web dol starter directly applies full line voltage to the induction motor and the asynchronous motor draws a very high. The full line voltage is applied to the stator for the starting of the phase induction motor. It consists of an mccb or. Web in this article, you will learn direct online (dol) electrical. How Does A Dol Starter Work.
From learnee.blogspot.com
What is direct online starter (DOL Starter) work, Control wiring How Does A Dol Starter Work It consists of an mccb or. The dol starter connects the 3 phase voltage supply i.e. Web one of the simplest forms of motor starter that is used for induction motors is the direct on line starter. The full line voltage is applied to the stator for the starting of the phase induction motor. Web working principle of dol starter.. How Does A Dol Starter Work.
From www.slideserve.com
PPT Manual DOL starter PowerPoint Presentation, free download ID How Does A Dol Starter Work It consists of an mccb or. The full line voltage is applied to the stator for the starting of the phase induction motor. The dol starter connects the 3 phase voltage supply i.e. Web dol starter directly applies full line voltage to the induction motor and the asynchronous motor draws a very high. Web working of direct online starter: Web. How Does A Dol Starter Work.
From www.youtube.com
How does a dol starter work motor starter work YouTube How Does A Dol Starter Work It consists of an mccb or. Web in this article, you will learn direct online (dol) electrical motor starter working principle, circuit diagram, advantages, disadvantages,. Web working principle of dol starter. Web one of the simplest forms of motor starter that is used for induction motors is the direct on line starter. The dol starter connects the 3 phase voltage. How Does A Dol Starter Work.
From www.electricalandcontrol.com
(DOL) Starter How Does A Dol Starter Work Web working of direct online starter: The full line voltage is applied to the stator for the starting of the phase induction motor. Web dol starter directly applies full line voltage to the induction motor and the asynchronous motor draws a very high. Web in this article, you will learn direct online (dol) electrical motor starter working principle, circuit diagram,. How Does A Dol Starter Work.
From www.pinterest.com
3 Phase Motor and Timer Connection Diagram with DOL Starter in 2023 How Does A Dol Starter Work It consists of an mccb or. Web one of the simplest forms of motor starter that is used for induction motors is the direct on line starter. Web working of direct online starter: Web working principle of dol starter. The full line voltage is applied to the stator for the starting of the phase induction motor. Web in this article,. How Does A Dol Starter Work.
From elecdiags.com
Dol Starter Diagram Three Phase How to Wire and Troubleshoot How Does A Dol Starter Work The full line voltage is applied to the stator for the starting of the phase induction motor. Web one of the simplest forms of motor starter that is used for induction motors is the direct on line starter. It consists of an mccb or. The dol starter connects the 3 phase voltage supply i.e. Web in this article, you will. How Does A Dol Starter Work.
From manualwiringrightful.z21.web.core.windows.net
Dol Wiring Diagram Three Phase How Does A Dol Starter Work Web one of the simplest forms of motor starter that is used for induction motors is the direct on line starter. Web working of direct online starter: The dol starter connects the 3 phase voltage supply i.e. The full line voltage is applied to the stator for the starting of the phase induction motor. Web working principle of dol starter.. How Does A Dol Starter Work.
From schematicpartvalenzuela.z21.web.core.windows.net
Dol Control Circuit Diagram With Timer How Does A Dol Starter Work Web in this article, you will learn direct online (dol) electrical motor starter working principle, circuit diagram, advantages, disadvantages,. The full line voltage is applied to the stator for the starting of the phase induction motor. The dol starter connects the 3 phase voltage supply i.e. Web working of direct online starter: Web working principle of dol starter. Web dol. How Does A Dol Starter Work.
From www.wiringwork.com
why using dol starter Wiring Work How Does A Dol Starter Work Web one of the simplest forms of motor starter that is used for induction motors is the direct on line starter. It consists of an mccb or. Web in this article, you will learn direct online (dol) electrical motor starter working principle, circuit diagram, advantages, disadvantages,. The dol starter connects the 3 phase voltage supply i.e. Web dol starter directly. How Does A Dol Starter Work.
From enginerileyaneroids.z14.web.core.windows.net
Wiring Diagram Dol Starter Single Phase How Does A Dol Starter Work Web working principle of dol starter. The full line voltage is applied to the stator for the starting of the phase induction motor. Web working of direct online starter: The dol starter connects the 3 phase voltage supply i.e. Web one of the simplest forms of motor starter that is used for induction motors is the direct on line starter.. How Does A Dol Starter Work.